制造商
厂商型号
封装
规格书
描述
TESD36CB规格参数 |
|||
|---|---|---|---|
| Type | 普通型TVS | ||
| RoHS | |||
| 制造商 | SPSEMI | ||
| VRWM/V | 36 | ||
| VBR_Min./V | 38 | ||
| VC/V | 70 | ||
| IPP_Max./A | 3 | ||
| IR/uA | 1 | ||
| Cj/pF | 25 | ||
| POWER/W | 180 | ||
| Polar | Bi | ||
TESD36CB详情
静电放电 TESD36CB 双向TVS二极管
TESD36CB DFN1006

TESD36CB引脚配置

TESD36CB特点
- 每线峰值脉冲功率180瓦
- (tp=8/20微秒)保护一条双向I/O线路
- 低钳位电压
- 工作电压:36V
- 低漏电流
IEC 兼容性
- IEC61000-4-2 (ESD) ±15kV (air), ±8kV (contact)
- IEC61000-4-4 (EFT) 40A (5/50ns)
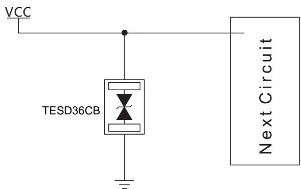
TESD36CB应用
- 直流电源
- 个人数字助理(PDA)
- 笔记本、台式机和服务器
- 便携式仪器外设
- 串口与并口
机械特性
- JEDEC DFN1006 Package
- Molding Compound Flammability Rating : UL 94V-O
- Quantity Per Reel : 10,000pcs
- Reel Size : 7 inch
- Lead Finish : Lead Free
最大额定值 unless otherwise specified)
| Parameter | Symbol | Value | Units |
| Peak Pulse Power(tp=8/20μs) | P PP | 180 | Watts |
| Lead Soldering Temperature | T L | 260(10 sec.) | °C |
| Operating Temperature Range | T J | -40~125 | °C |
| Storage Temperature Range | T STG | -55~150 | °C |
电气特性 unless otherwise specified)
TESD36CB(Marking: G)
| Parameter | Symbol | Conditions | Min. | Typ. | Max. | Units |
| Reverse Stand-off Voltage | VRWM | 36 | V | |||
| Breakdown Voltage | VBR | IT=1mA | 38 | V | ||
| Clamping Voltage | VC | I PP=1A,tp=8/20μs | 48 | 58 | V | |
| I PP=3A,tp=8/20μs | 55 | 70 | V | |||
| Reverse Leakage Current | IR | @VRWM | 1 | μA | ||
| Junction Capacitance | C i/O | 0Vdc,f=1MHzBetween I/O Pins and GND | 15 | 25 | pF |
额定值与特性曲线
Fig.1 Pulse Waveform

TESD36CB 应用
Power Protection

TESD36CB 尺寸(DFN1006)
DFN1006



| DIM | Millimeters | Inches | ||
| Min | Max | Min | Max | |
| A | 0.95 | 1.07 | 0.037 | 0.042 |
| B | 0.55 | 0.65 | 0.022 | 0.026 |
| C | 0.45 | 0.55 | 0.017 | 0.022 |
| D | 0.20 | 0.40 | 0.008 | 0.016 |
| E | 0.65BSC | 0.026BSC | ||
| F | 0.40 | 0.55 | 0.015 | 0.022 |
| G | 0.00 | 0.10 | 0.000 | 0.004 |