EPESD060318A005FR规格参数 |
|||
|---|---|---|---|
| Type | 极低容值ESD | ||
| RoHS | |||
| 制造商 | SPSEMI | ||
| VRWM/V | 18 | ||
| VC/V | 30 | ||
| Trigger Voltage/V | 300 | ||
| IR/uA | 0.01 | ||
| Cj @10MHz/pF | 0.05 | ||
| Response time/nS | 0.6 | ||
| IEC61000-4-2 (ESD)contact/KV | 15 | ||
| IEC61000-4-2 (ESD)air/KV | 15 | ||
EPESD060318A005FR详情
Surface Mount Epoxy Resin ESD Suppressor
EPESD 系列 /0603
低电容双向ESD保护

EPESD060318A005FR引脚配置

EPESD060318A005FR特点
- 快速响应时间(<1ns)
- 低漏电流
- 低钳位电压
- 双向单线保护- 超低电容:0.05pf(典型值)(任何 I/O 到 GND)
- 保护单线 I/O 端口
IEC兼容性
- IEC61000-4-2 (ESD)(air),(contact)
- IEC61000-4-4 (EFT) :40A (5/50ns)
EPESD060318A005FR应用
智能手机/移动安置设备、笔记本电脑/台式电脑天线、高速以太网、Lightning 和 Thunder Bolt 接口、USB 2.0 和 USB 3.0
EPESD060318A005FR机械特性
JEDEC 0603 PackageMolding Compound Flammability Rating : UL 94V-OQuantity Per Reel : 5,000pcsReel Size : 7 inchHalgen Free
Maximum Ratings(T=25°C unless otherwise specified )
| Parameter | Symbol | Value | Units |
| Contact Discharge Voltage Per IEC61000-4-2 | VESD | 8 | kV |
| AIR Discharge Voltage Per IEC61000-4-2 | VESD | 15 | kV |
| Operating Temperature Range | TJ | -40~+90 | °C |
| Storage Temperature Range | TSTG | -55~+125 | °C |
Electrical Characteristics
| Part Number | Continuous operating Voltage (V) | Leakage Current ( I_L )(μA) | Response time (ns) | Trigger Voltage ( V_T )(V) | Clamping Voltage ( V_C )(V) | Capacitance ( C_P@1MHz )(pF) |
| EPESD060305A005FR | 5 | 0.01 | 0.6 | 300 | 9 | 0.05 |
| EPESD060312A005FR | 12 | 0.01 | 0.6 | 300 | 23 | 0.05 |
| EPESD060314A005FR | 14 | 0.01 | 0.6 | 300 | 25 | 0.05 |
| EPESD060318A005FR | 18 | 0.01 | 0.6 | 300 | 30 | 0.05 |
| EPESD060324A005FR | 24 | 0.01 | 0.6 | 300 | 35 | 0.05 |

Typical ESD Response (IEC61000-4-2,8kv contact discharge)
Typical Characteristics

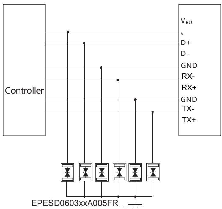
EPESD060318A005FR应用信息
I/O Protection
USB3.0 Protection
PCB 布局建议
建议遵循以下准则:
- 将 EPESD 放置在尽可能靠近输入端子或连接器的位置 可能
- 最小化 EPESD 和受保护信号之间的 lpath 长度 线
- 尽可能使用接地层以减少寄生 PCB 的电容和电感会降低 PCB 的有效性 过滤装置。
EPESD060318A005FR推荐焊接条件
Recommended Conditions
| Re"ow Condition | Pb-Free assembly (see Fig.1) | |
| Pre Heat | -Temperature Min(Ts(min)) | +150°C |
| -Temperature Max(Ts(max)) | +200°C | |
| -Time(Min to Max)(ts) | 60-120secs | |
| Average ramp up rate (Liquidus Temp(TL) to peak) | 3°C/sec.Max. | |
| Re"ow | -Temperature(TL)(Liquidus) | +217°C |
| -Temperature(tL) | 60-150secs | |
| Peak Temp(TP) | +260(+0/-5)°C | |
| Time within 5°C of actual Peak Temp(tp) | 30 secs.Max. | |
| Ramp-down Rate | 3°C/sec.Max. | |
| Time 25°C to Peak Temp(TP) | 8 min.Max. | |
| Do not exceed | +260°C | |
Reflow Soldering
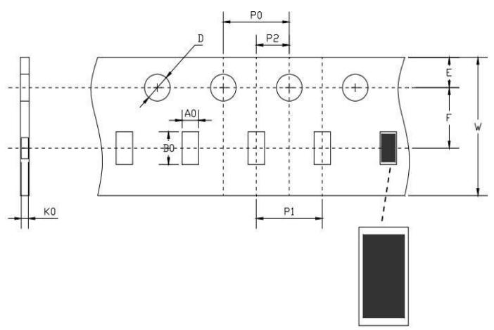
Dimensions(0603)


推荐的焊接尺寸单位为毫米
Notes:
This solder pad layout is for reference purposes only.
| Dimension | Unit: Millimeters | |
| Min. | Max. | |
| L | 1.45 | 1.75 |
| W | 0.70 | 0.95 |
| P | 0.20 | 0.50 |
| H | 0.26 | 0.46 |

| Dimension | Typical | Unit |
| A0 | 1.10 | mm |
| B0 | 1.90 | |
| K0 | 0.60 | |
| D | 1.55 | |
| P0 | 4.00 | |
| P1 | 4.00 | |
| P2 | 2.00 | |
| E | 1.75 | |
| F | 3.50 | |
| W | 8.00 |
尺寸单位:毫米
