EPESD040214A005FR规格参数 |
|||
|---|---|---|---|
| Type | 极低容值ESD | ||
| RoHS | |||
| 制造商 | SPSEMI | ||
| VRWM/V | 14 | ||
| VC/V | 25 | ||
| Trigger Voltage/V | 300 | ||
| IR/uA | 0.01 | ||
| Cj @10MHz/pF | 0.05 | ||
| Response time/nS | 0.6 | ||
| IEC61000-4-2 (ESD)contact/KV | 15 | ||
| IEC61000-4-2 (ESD)air/KV | 15 | ||
EPESD040214A005FR详情
Surface Mount Epoxy Resin ESD Suppressor
EPESD Series/0402
Low Capacitance Bidirection ESD Protection
0402

EPESD040214A005FR引脚配置

EPESD040214A005FR特点
- 快速响应时间(<1ns)
- 低漏电流
- 保护 单线I/O端口
- 双向、单线保护
- 超低电容:0.05pf(典型值)(任何I/O到GND
IEC 兼容
- IEC61000-4-2 (ESD) ±15kV (air), ±15kV (contact)
- IEC61000-4-4 (EFT) :40A (5/50ns)
EPESD040214A005FR应用
- 智能手机/移动互联网设备
- 笔记本电脑/台式电脑天线
- 高速以太网
- Lightning 和 Thunder Bolt 接口
- USB 2.0 和 USB 3.0
EPESD040214A005FR机械特性
JEDEC 0402 PackageMolding Compound Flammability Rating : UL 94V-OQuantity Per Reel : 10,000pcsReel Size : 7 inchHalgen Free
Maximum Ratings(T=25°C unless otherwise specified)
| Parameter | Symbol | Value | Units |
| Contact Discharge Voltage Per IEC61000-4-2 | VESD | 15 | kV |
| AIR Discharge Voltage Per IEC61000-4-2 | VESD | 15 | kV |
| Operating Temperature Range | TJ | -40~+90 | °C |
| Storage Temperature Range | TSTG | -55~+125 | °C |
EPESD040214A005FR电气特性
| Part Number | Continuous operating Voltage (V) | Leakage Current ( I_L )(μA) | Response time (ns) | Trigger Voltage ( V_T )(V) | Clamping Voltage ( V_C )(V) | Capacitance ( C_P@1MHz )(pF) |
| EPESD040205A005FR | 5 | 0.01 | 0.6 | 300 | 9 | 0.05 |
| EPESD040212A005FR | 12 | 0.01 | 0.6 | 300 | 23 | 0.05 |
| EPESD040214A005FR | 14 | 0.01 | 0.6 | 300 | 25 | 0.05 |
| EPESD040218A005FR | 18 | 0.01 | 0.6 | 300 | 30 | 0.05 |
| EPESD040224A005FR | 24 | 0.01 | 0.6 | 300 | 35 | 0.05 |
Typical ESD Response (IEC61000-4-2,8kv contact discharge)
EPESD040214A005FR典型特征
I/O Protection

EPESD040214A005FR应用场景

USB3.0 Protection
PCB 布局建议
建议遵循以下准则:
- 将 EPESD 放置在尽可能靠近输入端子或连接器的位置 可能
- 最小化 EPESD 和受保护信号之间的 Ipath 长度 线
- 尽可能使用接地层以减少寄生 PCB 的电容和电感会降低 PCB 的有效性 过滤装置。
推荐的焊接条件
Recommended Conditions
| Re"ow Condition | Pb-Free assembly (see Fig.1) | |
| Pre Heat | -Temperature Min(Ts(min)) | +150°C |
| -Temperature Max(Ts(max)) | +200°C | |
| -Time(Min to Max)(ts) | 60-120secs | |
| Average ramp up rate (Liquidus Temp(TL) to peak) | 3°C/sec.Max. | |
| Re"ow | -Temperature(TL)(Liquidus) | +217°C |
| -Temperature(tL) | 60-150secs | |
| Peak Temp(TP) | +260(+0/-5)°C | |
| Time within 5°C of actual Peak Temp(tp) | 30 secs.Max. | |
| Ramp-down Rate | 3°C/sec.Max. | |
| Time 25°C to Peak Temp(TP) | 8 min.Max. | |
| Do not exceed | +260°C | |
Reflow Soldering
EPESD040214A005FR 尺寸(0402)
Recommended Mounting Pad Layout
| Dimension | Unit: Millimeters | |
| Min. | Max. | |
| A | 0.25 | 0.45 |
| b | 0.15 | 0.40 |
| D | 0.90 | 1.10 |
| E | 0.40 | 0.60 |
| e | 0.65BSC | |
| L1 | 0.30 | 0.50 |
| L2 | 0.00 | 0.05 |
Dimensions in millimeters
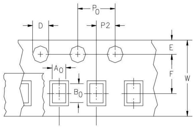
EPESD040214A005FR封装信息

| Dimension | Typical | Unit |
| A0 | 0.75 | mm |
| B0 | 1.22 | |
| D | 1.55 | |
| P0 | 4.00 | |
| P1 | 2.00 | |
| P2 | 2.00 | |
| E | 1.75 | |
| F | 3.50 | |
| W | 8.00 |
DIMENSIONS ARE: MILLIMETERS
