EPESD020105A005FR规格参数 |
|||
|---|---|---|---|
| Type | 极低容值ESD | ||
| RoHS | |||
| 制造商 | SPSEMI | ||
| VRWM/V | 5 | ||
| VC/V | 9 | ||
| Trigger Voltage/V | 300 | ||
| IR/uA | 0.01 | ||
| Cj @10MHz/pF | 0.05 | ||
| Response time/nS | 0.6 | ||
| IEC61000-4-2 (ESD)contact/KV | 15 | ||
| IEC61000-4-2 (ESD)air/KV | 15 | ||
EPESD020105A005FR详情
Surface Mount Polyment ESD Suppressor
EPESD Series/0201
Low Capacitance Bidirection ESD Protection
0201系列外观

EPESD020105A005FR引脚配置

EPESD020105A005FR特点
- 快速响应时间(<1ns)
- 低漏电流
- 低箝位电压
- 0201 超小型SMD封装
- 超低电容:0.05pf(典型值)(任何I/O到GND)
- 保护单线 I/O 端口
IEC 兼容
- IEC61000-4-2 (ESD) ±15kV (air), ±15kV (contact)IEC61000-4-4 (EFT) :40A (5/50ns)
EPESD020105A005FR应用
- 智能手机/移动互联网设备
- 笔记本电脑/台式电脑
- DVI
- 高速以太网
- HDMI
- USB 2.0 和 USB 3.0
- DP
- MDDI
EPESD020105A005FR机械特性
JEDEC 0201 PackageMolding Compound Flammability Rating : UL 94V-OQuantity Per Reel : 15,000pcsReel Size : 7 inchHalgen Free
Maximum Ratings(T =25°C unless otherwise specified )
| Parameter | Symbol | Value | Units |
| Contact Discharge Voltage Per IEC61000-4-2 | VESD | 15 | kV |
| AIR Discharge Voltage Per IEC61000-4-2 | VESD | 15 | kV |
| Operating Temperature Range | TJ | -40~+90 | °C |
| Storage Temperature Range | TSTG | -55~+125 | °C |
电气特性
| Part Number | Continuous operating Voltage (V) | Leakage Current ( I_L )(μA) | Response time (ns) | Trigger Voltage ( V_T )(V) | Clamping Voltage ( V_C )(V) | Capacitance ( C_P@1MHz )(pF) |
| EPESD020105A005FR | 5 | 0.01 | 0.6 | 300 | 9 | 0.05 |
| EPESD020112A005FR | 12 | 0.01 | 0.6 | 300 | 23 | 0.05 |
| EPESD020114A005FR | 14 | 0.01 | 0.6 | 300 | 25 | 0.05 |
| EPESD020118A005FR | 18 | 0.01 | 0.6 | 300 | 30 | 0.05 |
| EPESD020124A005FR | 24 | 0.01 | 0.6 | 300 | 35 | 0.05 |
Typical ESD Response (IEC61000-4-2,8kv contact discharge)
典型特征


EPESD020105A005FR应用案例
I/O 保护

USB3.0 保护

PCB 布局建议
建议遵循以下准则:
- 将 EPESD 放置在尽可能靠近输入端子或连接器的位置 可能
- 最小化 EPESD 和受保护信号之间的 lpath 长度 线
- 尽可能使用接地层以减少寄生 PCB 的电容和电感会降低 PCB 的有效性 过滤装置。
推荐的焊接条件
Recommended Conditions
| Re"ow Condition | Pb-Free assembly (see Fig.1) | |
| Pre Heat | -Temperature Min(Ts(min)) | +150°C |
| -Temperature Max(Ts(max)) | +200°C | |
| -Time(Min to Max)(ts) | 60-120secs | |
| Average ramp up rate (Liquidus Temp(TL) to peak) | 3°C/sec.Max. | |
| Re"ow | -Temperature(TL)(Liquidus) | +217°C |
| -Temperature(tL) | 60-150secs | |
| Peak Temp(TP) | +260(+0/-5)°C | |
| Time within 5°C of actual Peak Temp(tp) | 30 secs.Max. | |
| Ramp-down Rate | 3°C/sec.Max. | |
| Time 25°C to Peak Temp(TP) | 8 min.Max. | |
| Do not exceed | +260°C | |
Reflow Soldering
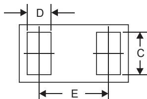
尺寸(0201)


Recommended Mounting Pad Layout
| DIM | Millimeters | Inches | ||
| Min | Max | Min | Max | |
| A | 0.50 | 0.70 | 0.019 | 0.028 |
| B | 0.25 | 0.35 | 0.010 | 0.014 |
| C | 0.20 | 0.30 | 0.007 | 0.012 |
| D | 0.14 | 0.24 | 0.005 | 0.009 |
| E | 0.38BSC | 0.015BSC | ||
| F | 0.25 | 0.40 | 0.010 | 0.016 |
| G | 0.00 | 0.05 | 0.000 | 0.002 |
Dimensions in millimeters
EPESD020105A005FR封装信息



| Dimension | Typical | Unit |
| A0 | 0.38 | mm |
| B0 | 0.68 | |
| K0 | 0.32 | |
| P0 | 4.00 | |
| P1 | 2.00 | |
| P2 | 2.00 | |
| T | 0.20 | |
| E | 1.75 | |
| F | 3.50 | |
| D0 | 1.55 | |
| D1 | 0.20 | |
| W | 8.00 |


DIMENSIONS ARE: MILLIMETERS