制造商
厂商型号
封装
规格书
描述
JMSH0403PGHW规格参数 |
|||
|---|---|---|---|
| Type | 中压MOSFET | ||
| RoHS | |||
| 制造商 | JJM | ||
| 类型 | N | ||
| VDS_Max/V | 40 | ||
| ID_Max /A | 131 | ||
| VGS(th)Typ/V | 3.1 | ||
| RDS(ON)Typ (mΩ)@VGS 10V | 3 | ||
| RDS(ON)Max (mΩ)@VGS 10V | 3.6 | ||
| RDS(ON)Typ (mΩ)@VGS 4.5V | |||
| RDS(ON)Max (mΩ)@VGS 4.5V | |||
| VGS_Max/V | ±20 | ||
JMSH0403PGHW详情
40伏,131安,3.0毫欧 半桥N沟道功率屏蔽栅沟槽MOSFET JMSH0403PGHW
JMSH0403PGHW特色
- 非常好以及低栅极电荷
- 100%通过UIS测试
- 检测率为100%的ΔVds
- 无卤素;符合RoHS
JMSH0403PGHW应用
- 负载开关
- PWM应用
- 电源管理
Top View

Bottom View

PDFN5X6-8L-HW
Product Summary
| Parameters | Value | Unit |
| VDSS | 40 | V |
| VGS(th)_Typ | 3.1 | V |
| ID(@VGS=10V) | 131 | A |
| RDS(ON)_Typ(@VGS=10V) | 3.0 | mΩ |
RoHS

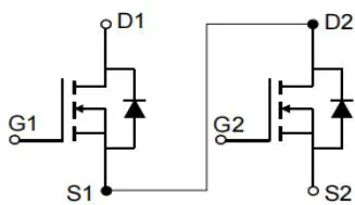
Pin Assignment

Schematic Diagram
JMSH0403PGHW订购信息
| Device | Marking | MSL | Form | Package | Reel(pcs) | Per Carton (pcs) |
| JMSH0403PGHW-13 | H0403PH | 1 | Tape&Reel | PDFN5x6-8L-HW | 5000 | 50000 |
Absolute Maximum Ratings (@ unless otherwise specified)
| Symbol | Parameter | Value | Unit | |
| VDS | Drain-to-Source Voltage | 40 | V | |
| VGS | Gate-to-Source Voltage | ±20 | V | |
| ID | Continuous Drain Current | TC=25°C | 131 | A |
| TC=100°C | 83 | |||
| IDM | Pulsed Drain Current (1) | Refer to Fig.4 | A | |
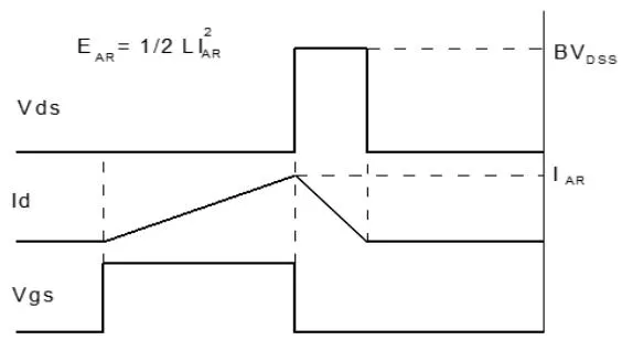
| EAS | Single Pulsed Avalanche Energy (2) | 238 | mJ | |
| PD | Power Dissipation | TC=25°C | 104 | W |
| TC=100°C | 42 | |||
| TJ, TSTG | Junction & Storage Temperature Range | -55 to 150 | °C | |
Thermal Characteristics
| Symbol | Parameter | Max | Unit |
| RθJA | Thermal Resistance, Junction to Ambient(3) | 44 | °C/W |
| RθJC | Thermal Resistance, Junction to Case | 1.2 |
Electrical Characteristics unless otherwise specified)
| Symbol | Parameter | Conditions | Min. | Typ. | Max. | Unit |
| Off Characteristics | ||||||
| V(BR)DSS | Drain-Source Breakdown Voltage | ID=250μA, VGS=0V | 40 | - | - | V |
| IDSS | Zero Gate Voltage Drain Current | VDS=32V, VGS=0V | - | - | 1.0 | μA |
| IGSS | Gate-Body Leakage Current | VDS=0V, VGS=±20V | - | - | ±100 | nA |
| On Characteristics | ||||||
| VGS(th) | Gate Threshold Voltage | VDS=VGS, ID=250μA | 2.1 | 3.1 | 4.0 | V |
| RDS(ON) | Static Drain-Source ON-Resistance(4) | VGS=10V, ID=20A | - | 3.0 | 3.6 | mΩ |
| Dynamic Characteristics | ||||||
| Rg | Gate Resistance | f=1MHz | - | 0.8 | - | Ω |
| Ciss | Input Capacitance | VGS=0V, VDS=20V, f=1MHz | 1412 | 1976 | 2668 | pF |
| Coss | Output Capacitance | 856 | 1198 | 1618 | pF | |
| Crss | Reverse Transfer Capacitance | 79 | 110 | 149 | pF | |
| Qg | Total Gate Charge | VGS=0 to 10VVDS=20V, ID=20A | 24 | 33 | 45 | nC |
| Qgs | Gate Source Charge | - | 10 | - | nC | |
| Qgd | Gate Drain("Miller") Charge | - | 10 | - | nC | |
| Switching Characteristics | ||||||
| td(on) | Turn-On DelayTime | VGS=10V, VDD=20VID=20A, RGEN=3Ω | - | 13 | - | ns |
| tr | Turn-On Rise Time | - | 24 | - | ns | |
| td(off) | Turn-Off DelayTime | - | 22 | - | ns | |
| tf | Turn-Off Fall Time | - | 9 | - | ns | |
| Body Diode Characteristics | ||||||
| IS | Maximum Continuous Body Diode Forward Current | - | - | 131 | A | |
| ISM | Maximum Pulsed Body Diode Forward Current | - | - | 522 | A | |
| VSD | Body Diode Forward Voltage | VGS=0V, IS=20A | - | 1.2 | V | |
| trr | Body Diode Reverse Recovery Time | IF=20A, di/dt=100A/us | 29 | 40 | 55 | ns |
| Qrr | Body Diode Reverse Recovery Charge | - | 37 | - | nC | |
Notes: 1. Repetitive Rating: Pulse Width Limited by Maximum Junction Temperature.
-
condition: Starting , , , , , , during time in avalanche.
-
is measured with the device mounted on a 1inch² pad of 2oz copper FR4 PCB.
-
Pulse Test: Pulse Width Duty Cycle
JMSH0403PGHW Typical Performance Characteristics
Figure 1: Power De-rating

Figure 2: Current De-rating

Figure 3: Normalized Maximum Transient Thermal Impedance

Figure 4: Peak Current Capacity

Figure 5: Output Characteristics

Figure 6: Typical Transfer Characteristics

Figure 7: On-resistance vs. Drain Current

Figure 8: Body Diode Characteristics

Figure 9: Gate Charge Characteristics

Figure 10: Capacitance Characteristics

Figure 11: Normalized Breakdown voltage vs. Junction Temperature

Figure 12: Normalized on Resistance vs. Junction Temperature

Figure 13: Normalized Threshold Voltage vs. Junction Temperature

Figure 14: vs.

Figure 15: Maximum Safe Operating Area

JMSH0403PGHW Test Circuit


Figure 1: Gate Charge Test Circuit & Waveform


Figure 2: Resistive Switching Test Circuit & Waveform


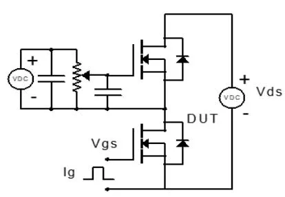
Figure 3: Unclamped Inductive Switching Test Circuit& Waveform


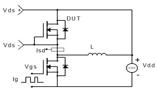
Figure 4: Diode Recovery Test Circuit & Waveform
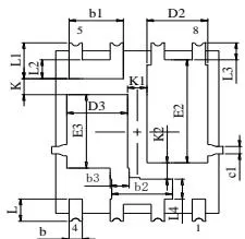
JMSH0403PGHW Package Mechanical Data(PDFN5X6-8L-HW)
Package Outline

Top View

Side View

Bottom View

Front View
NOTES:
-
Dimension and tolerance per ASME Y14.5M, 1994.
-
All dimensions in millimeter (angle in degree).
-
Dimensions D1 and E1 do not include mold flash protrusions or gate burrs.
| DIM | MILLMETER | ||
| MIN. | NOM. | MAX. | |
| A | 0.90 | 1.00 | 1.15 |
| A1 | 0.00 | - | 0.10 |
| b | 0.31 | 0.41 | 0.51 |
| b1 | 0.15 | 0.25 | 0.35 |
| c | 0.24 | 0.32 | 0.40 |
| DIM | 4.95 | 5.05 | 5.15 |
| D1 | 4.00 | 4.10 | 4.20 |
| D2 | 0.50 | 0.60 | 0.70 |
| E | 6.05 | 6.15 | 6.25 |
| E1 | 5.50 | 5.60 | 5.70 |
| E2 | 3.31 | 3.41 | 3.51 |
| e | 1.27BSC | ||
| H | 0.60 | 0.70 | 0.80 |
| L | 0.50 | 0.70 | 0.80 |
| L1 | - | - | 0.13 |
| a | - | - | 12° |
Recommended Soldering Footprint

DIMENSIONS:MILLIMETERS