制造商
厂商型号
封装
规格书
描述
TUSD05CBL规格参数 |
|||
|---|---|---|---|
| Type | 普通型TVS | ||
| RoHS | |||
| 制造商 | SPSEMI | ||
| VRWM/V | 5 | ||
| VBR_Min./V | 5.6 | ||
| VC/V | 20 | ||
| IPP_Max./A | 3 | ||
| IR/uA | 1 | ||
| Cj/pF | 0.4 | ||
| POWER/W | 60 | ||
| Polar | Bi | ||
TUSD05CBL详情
静电放电
TUSD05CBL
双向TVS二极管 /低电容
DFN1006

TUSD05CBL引脚配置

特点
- 每线60瓦峰值脉冲功率(tp=8/20μs)
- 保护一条双向I/O线路
- 低钳位电压
- 工作电压:5V
- 低漏电流
IEC 兼容性
IEC61000-4-2 (ESD) ±20kV (air), ±20kV (contact)
IEC61000-4-4 (EFT) 40A (5/50ns)
TUSD05CBL应用
- 手机手机及配件
- 基于微处理器的设备
- 个人数字助理(PDA)
- 笔记本、台式机和服务器
- 便携式仪器
- 外设
- 寻呼机
TUSD05CBL机械特性
JEDEC DFN1006 封装
- Terminal: Solder plated or Ni-Pd-Au plated
Molding Compound Flammability Rating : UL 94V-O
Weight 0.5 Millgrams (Approximate)
Quantity Per Reel : 10,000pcs
Reel Size: 7 inch
Lead Finish : Lead Free
Maximum Ratings unless otherwise specified)
| Parameter | Symbol | Value | Units |
| Peak Pulse Power(tp=8/20μs) | P PP | 60 | Watts |
| Lead Soldering Temperature | T L | 260(10 sec.) | °C |
| Operating Temperature Range | T J | -55~150 | °C |
| Storage Temperature Range | T STG | -55~150 | °C |
电气特性(TA=25°C unless otherwise specified)
| TUSD05CBL(Marking:B1) | ||||||
| Parameter | Symbol | Conditions | Min. | Typ. | Max. | Units |
| Reverse Stand-off Voltage | VRWM | 5 | V | |||
| Breakdown Voltage | VBR | IT=1mA | 5.6 | V | ||
| Clamping Voltage | VC | I PP=1A,tp=8/20μs | 12 | V | ||
| I PP=3A,tp=8/20μs | 20 | V | ||||
| Reverse Leakage Current | IR | @VRWM | 1 | μA | ||
| Junction Capacitance | CI/O | 0Vdc,f=1MHzBetween I/O Pins and GND | 0.3 | 0.4 | pF | |
额定值与特性曲线

Fig.1 Non-Repetitive Pulse Power vs.Pulse Time

Fig.2 Pulse Waveform
TUSD05CBL应用

I/O Protection
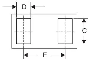
TUSD05CBL尺寸(DFN1006)

DFN1006


| DIM | Millimeters | Inches | ||
| Min | Max | Min | Max | |
| A | 0.95 | 1.07 | 0.037 | 0.042 |
| B | 0.55 | 0.65 | 0.022 | 0.026 |
| C | 0.45 | 0.55 | 0.017 | 0.022 |
| D | 0.20 | 0.40 | 0.008 | 0.016 |
| E | 0.65BSC | 0.026BSC | ||
| F | 0.40 | 0.55 | 0.015 | 0.022 |
| G | 0.00 | 0.10 | 0.000 | 0.004 |