制造商
厂商型号
封装
规格书
描述
JOR213规格参数 |
|||
|---|---|---|---|
| Type | MOS输出直流固态继电器 | ||
| RoHS | |||
| 制造商 | JJM | ||
| LED ON IF_Min/mA) | 0.4 | ||
| OUT VL_Min/V | 100 | ||
| OUT RON/Ω | 0.48 | ||
| IF-ON_Max/mA | 3 | ||
| TON_Max/ms | 1 | ||
| TOFF_Max/ms | 1 | ||
| 隔离值VISO/VRMS | 3750 | ||
JOR213详情
100V MOSFET 输出型光继电器 JOR213
JOR213 光继电器由一个 MOSFET、一个光电发生器及一个红外 LED 通过光耦合方式构成。
JOR213结构框图与封装

JOR213特色
常开(SPST)
-
控制100V交流或直流电压
-
开关 1.25A 负载
控制低频模拟唱腔
高灵敏度,低导电阻
- 低电位离位漏电流
高隔离电压 3750V
- 无铅,符合RoHS标准
JOR213引脚定义
1:Anode(LED)
2:Cathode(LED)
3,4:Drain(MOSFET)
JOR213封装外形

SOP4
JOR213应用
通信产品(个人电脑、笔记本电脑)
调制解调器/传感器
-
手机/安防设备
-
测量与测试设备
工厂自动化设备
- 高速检验机
|
JOR213订购与标识信息 |
|
| MARKING INFORMATION | |
| JOR213 YAWW | JOR:Company Abbr. 213:Part Number Y:Fiscal Year A:Manufacturing Code WW:Work Week |
| ORDERING INFORMATION | LABEL INFORMATION |
| JOR213(Y)(Z)-G JOR-Company Abbr 213-Part Number Y-Lead Form Option (M/S/SL/None) Z-Tape and Reel Option (T1/T2) G-Green | 捷捷微电(深圳)有限公司 JIEJIE MICROELECTRONICS(Shenzhen)Co Ltd Part No.:XXXXXXBin Code:X Lot No.:XXXXXX Date Code:XXX QTY:XXX PCS |
JOR213绝对最大额定值
| Parameter | Symbol | Rating | Unit | Note | |
| Input | LED Forward Current | IF | 50 | mA | |
| LED Reverse Voltage | VR | 5 | V | ||
| Peak Forward Current | IFP | 1 | A | f=100 Hz, Duty factor=0.1% | |
| Power Dissipation | P | 75 | mW | ||
| Output | Load Voltage(peak AC) | VL | 100 | V | |
| Continuous load current (peak AC) | IL | 1.25 | A | ||
| Peak load current | Ipeak | 3.7 | A | 100 ms (1 shot), VL=DC | |
| Power Dissipation | Pout | 800 | mW | ||
| I/O isolation voltage | Viso | 3750 | Vrms | ||
| Temperat ure limits | Operating Temperature | Topr | -40 ~ + 85 | °C | Non-condensing at low temp |
| Storage Temperature | Tstg | -40 ~ + 100 | |||
JOR213光电特性 (Ta=25°C)
| Parameter | Symbol | Condition | Min. | Typ. | Max. | Unit | |
| Input | LED Forward current | IFon | IL=1.25A | - | 0.4 | 3 | mA |
| LED turn off current | IFoff | IL=1.25A | - | 0.2 | 3 | mA | |
| LED dropout voltage | VF | IF=5mA | 1 | 1.3 | 1.4 | V | |
| Output | On resistance | Ron | IF=5mA, IL=1.25A, Within 1 s on time | - | 0.48 | 1.5 | Ω |
| Off state leakage current | ILeak | IF=0mA, VL=100V | - | - | 1000 | nA | |
| Transfer Characteristics | Turn on time | Ton | IF=5mA,IL=1.25A | - | 117 | 1000 | us |
| Turn off time | Toff | IF=5mA,IL=1.25A | - | 417 | 1000 | us | |
| I/O capacitance | Ciso | f=1MHz, VB=0 | - | 0.8 | 1.5 | pF | |
| Initial I/O isolation resistance | Riso | 500V DC | 1,000 | - | - | MΩ | |
Note: LED forward current recommendation value: to
JOR213典型性能曲线
Fig.1 Load current vs. Ambient temperature characteristics

Fig.2 On resistance vs. Ambient temperature characteristics

Fig.3 Turn on time vs. Ambient temperature characteristics

Fig.4 Turn off time vs. Ambient temperature characteristics

Fig.5 LED Forward current vs.Ambient temperature characteristics

Fig.6 LED turn off current vs. Ambient temperature characteristics

Fig.7 LED dropout voltage vs. Ambient temperature characteristics

Fig.8 Output current vs Output voltage

Fig.9 Off state leakage current vs Load voltage characteristics

Fig.10 LED turn on time vs Forward current characteristics

Fig.11 LED turn off time vs Forward current characteristics

JOR213导通/关断时间

JOR213焊接回流温度曲线

| Symbol | Min | Max | Unit | |
| Preheat temperature | \( T_S \) | 150 | 200 | °C |
| Preheat time | \( t_S \) | 60 | 120 | s |
| Ramp-up rate \( (T_L to T_P) \) | 3 | °C/s | ||
| Liquidus temperature | \( T_L \) | 217 | °C | |
| Time above \( T_L \) | \( t_L \) | 60 | 150 | s |
| Peak temperature | \( T_P \) | 260 | °C | |
| Time during which \( T_c \) is between \( (T_P - 5) \) and \( T_P \) | \( t_P \) | 30 | s | |
| Ramp-down rate \( (T_P to T_L) \) | 6 | °C/s | ||
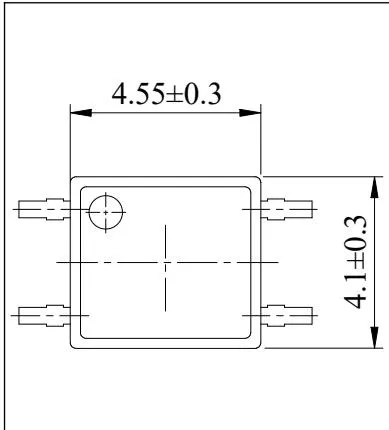
Note:The picture above is the front view of the product.(Unit: mm)
JOR213外形尺寸
Unit: mm



SOP4
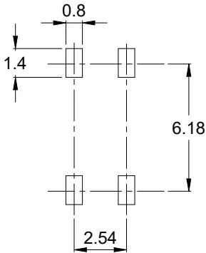
JOR213焊盘图形尺寸(仅供参考)

Note: The picture above is the front view of the product. (Unit: mm)
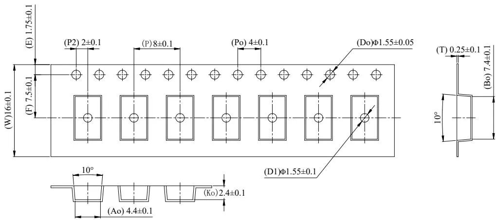
JOR213包装信息
Summary table
| Package Type | Packing Form | Quantity per Reel | Quantity per Box | Quantity per Carton | Antistatic Bag Specification | Box Specification | Carton Specification | Note |
| SOP4 | Reel(φ330mm Blue) | 3k pcs/reel | 2 reels /box | 10 boxes /ctn | 380*380mm | 340*60*340mm | 620*360*365mm | Guard band 200mm min. |
SOP4 (Reel)
-
Qty/reel: 3000 pcs. Qty/ctn: 60000 pcs.
-
Inner packing: 3000pcs/reel.
-
Schematic: (unit:mm)
