制造商
厂商型号
封装
规格书
描述
JMSL0620PGEQ规格参数 |
|||
|---|---|---|---|
| Type | 汽车MOSFET | ||
| RoHS | |||
| 制造商 | JJM | ||
| 类型 | N | ||
| VDS_Max/V | 60 | ||
| ID_Max /A | 48 | ||
| VGS(th)Typ/V | 1.7 | ||
| RDS(ON)Typ (mΩ)@ VGS 10V | 12 | ||
| RDS(ON)Max (mΩ)@ VGS 10V | 16 | ||
| VGS_Max/V | ±20 | ||
JMSL0620PGEQ详情
60V, 48A, 17mΩ N-channel Power SGT MOSFET
JMSL0620PGEQ特点
- 超低导通电阻,
- 低栅极电荷
- 100% UIS测试
- 100% ΔVds测试
- 无卤素;符合RoHS标准的
- AEC-Q101合格
- 静电保护,HBM>2KV
JMSL0620PGEQ应用
- 负载开关
- PWM应用
- 通用汽车应用

PDFN5X6-8L


Pin Assignment
产品摘要
| Parameters | Value | Unit |
| VDSS | 60 | V |
| VGS(th)_Typ | 1.7 | V |
| ID(@VGS=10V) | 48 | A |
| RDS(ON)_Typ(@VGS=10V) | 12 | mΩ |
| RDS(ON)_Typ(@VGS=4.5V) | 17 | mΩ |


示意图
JMSL0620PGEQ订购信息
| Device | Marking | MSL | Form | Package | Reel(pcs) | Per Carton (pcs) |
| JMSL0620PGEQ-13 | L0620Q | 1 | Tape&Reel | PDFN5x6-8L | 5000 | 50000 |
Absolute Maximum Ratings (@ unless otherwise specified)
| Symbol | Parameter | Value | Unit | |
| VDS | Drain-to-Source Voltage | 60 | V | |
| VGS | Gate-to-Source Voltage | ±20 | V | |
| ID | Continuous Drain Current | TC=25°C | 48 | A |
| TC=100°C | 34 | |||
| IDM | Pulsed Drain Current (1) | Refer to Fig.4 | A | |
| EAS | Single Pulsed Avalanche Energy (2) | 36 | mJ | |
| PD | Power Dissipation | TC=25°C | 71 | W |
| TC=100°C | 36 | |||
| TJ, TSTG | Junction & Storage Temperature Range | -55 to 175 | °C | |
热特性
| Symbol | Parameter | Max | Unit |
| RθJA | Thermal Resistance, Junction to Ambient(3) | 47 | °C/W |
| RθJC | Thermal Resistance, Junction to Case | 2.1 |
电气特性 unless otherwise specified)
| Symbol | Parameter | Conditions | Min. | Typ. | Max. | Unit |
| Off Characteristics | ||||||
| V(BR)DSS | Drain-Source Breakdown Voltage | ID=250μA, VGS=0V | 60 | - | - | V |
| IDSS | Zero Gate Voltage Drain Current | VDS=48V, VGS=0V | - | - | 1.0 | μA |
| IGSS | Gate-Body Leakage Current | VDS=0V, VGS=±20V | - | - | ±10 | μA |
| 特征 | ||||||
| VGS(th) | Gate Threshold Voltage | VDS=VGS, ID=250μA | 1.2 | 1.7 | 2.2 | V |
| RDS(ON) | Static Drain-Source ON-Resistance(4) | VGS=10V, ID=20A | - | 12 | 16 | mΩ |
| VGS=4.5V, ID=15A | - | 17 | 22 | mΩ | ||
| 动态特性 | ||||||
| Rg | Gate Resistance | f=1MHz | - | 2.1 | - | Ω |
| Ciss | Input Capacitance | VGS=0V, VDS=30V, f=1MHz | 424 | 593 | 800 | pF |
| Coss | Output Capacitance | 205 | 287 | 388 | pF | |
| Crss | Reverse Transfer Capacitance | 8 | 18 | 40 | pF | |
| Qg | Total Gate Charge | VGS=0 to 10VVDS=30V, ID=20A | - | 11 | - | nC |
| Qgs | Gate Source Charge | - | 2.3 | - | nC | |
| Qgd | Gate Drain("Miller") Charge | - | 2.4 | - | nC | |
| 切换特性 | ||||||
| td(on) | Turn-On DelayTime | VGS=10V, VDD=30VID=20A, RGEN=3Ω | - | 5.5 | - | ns |
| tr | Turn-On Rise Time | - | 29 | - | ns | |
| td(off) | Turn-Off DelayTime | - | 15 | - | ns | |
| tf | Turn-Off Fall Time | - | 3.4 | - | ns | |
| 体二极管特性 | ||||||
| IS | Maximum Continuous Body Diode Forward Current | - | - | 48 | A | |
| ISM | Maximum Pulsed Body Diode Forward Current | - | - | 192 | A | |
| VSD | Body Diode Forward Voltage | VGS=0V, IS=20A | - | 1.2 | V | |
| trr | Body Diode Reverse Recovery Time | IF=20A, di/dt=100A/us | 13 | 19 | 25 | ns |
| Qrr | Body Diode Reverse Recovery Charge | - | 8.8 | - | nC | |
Notes: 1. Repetitive Rating: Pulse Width Limited by Maximum Junction Temperature.
2. condition: Starting , , , , , , during time in avalanche.
3. is measured with the device mounted on a 1inch² pad of 2oz copper FR4 PCB.
4. Pulse Test: Pulse Width Duty Cycle
典型表现 特征

Figure 1: Power De-rating

Figure 2: Current De-rating

Figure 3: Normalized Maximum Transient Thermal Impedance

Figure 4: Peak Current Capacity

Figure 5: Output Characteristics

Figure 6: Typical Transfer Characteristics

Figure 7: On-resistance vs. Drain Current

Figure 8: Body Diode Characteristics

Figure 9: Gate Charge Characteristics

Figure 10: Capacitance Characteristics

Figure 11: Normalized Breakdown voltage vs. Junction Temperature

Figure 12: Normalized on Resistance vs. Junction Temperature

Figure 13: Normalized Threshold Voltage vs. Junction Temperature

Figure 14: vs.

Figure 15: Maximum Safe Operating Area
JMSL0620PGEQ测试电路

Figure 1: Gate Charge Test Circuit & Waveform


Figure 2: Resistive Switching Test Circuit & Waveform


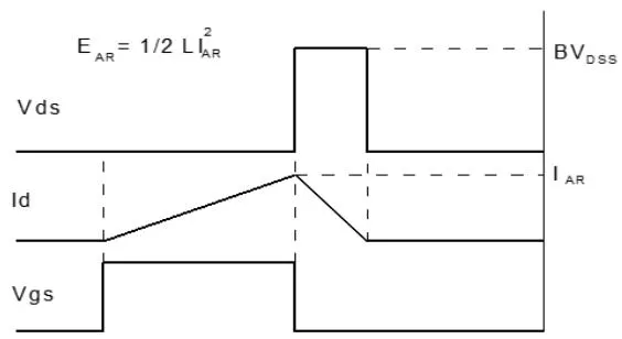
Figure 3: Unclamped Inductive Switching Test Circuit& Waveform


Figure 4: Diode Recovery Test Circuit & Waveform

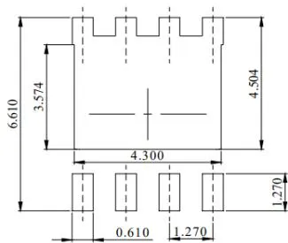
封装机械参数(PDFN5X6-8L)

Package Outline
Top View

Side View

Bottom View
| DIM. | MILLIMETER | ||
| MIN. | NOM. | MAX. | |
| A | 0.9 | 1 | 1.15 |
| b | 0.31 | 0.41 | 0.51 |
| C | 0.24 | 0.32 | 0.4 |
| D | 5 | 5.2 | 5.4 |
| D1 | 4.95 | 5.05 | 5.15 |
| D2 | 4 | 4.1 | 4.2 |
| E | 6.05 | 6.15 | 6.25 |
| E1 | 5.5 | 5.6 | 5.7 |
| E2 | 3.42 | 3.53 | 3.63 |
| e | 1.27ESC | ||
| H | 0.6 | 0.7 | 0.8 |
| L | 0.5 | 0.7 | 0.8 |
| K | 1.23 REF | ||
| 0 | 10 | ||

正面视图
NOTES:
- Dimension and tolerance per ASME Y14.5M, 1994.
- All dimensions in millimeter (angle in degree).
- Dimensions D1 and E1 do not include mold flash protrusions or gate burrs.

Recommended Soldering Footprint
DIMENSIONS:MILLIMETERS